2% webrabatt
50 års erfaring
Rask levering
Høykvalitets produkter
+47 73 98 10 00
Mine sider
Mine sider
Registrer
Logg inn
Vis priser inkl. MVA
Søkeresultat
Avbryt
Belysning
Bauglys
LED 12V
LED 24V
LED 230V
Reservedeler
Dekkslys
LED 12-24V
LED 230V
Reservedeler Halogen
Lyskastere
Fjernstyrte
Håndbetjente
Lyskasterhoder
Seematz Reservedeler
Ombyggingssett
Lanterner
Glød
LED
Reservedeler PB
Reservedeler Geomar
LED Belysning
LED Downlight
LED Innvendig
LED Lysbjelke
LED Trappelys
Taklampe
Køyelampe
LED Utvendig - Maskinrom
Spesial- og teknisk belysning
Undervannsbelysning
Resolux
Rohrlux utebelysning
Lyskilder
Stikkpærer
Innsatser
Halogenrør
Lanternelamper
Cutterpærer
Normallamper
Lysrør
Rør for Natrium
Rør for Resolux
Rør for Rohrlux
Metallhalogen
Lyskasterlamper
Kontrollpære
EL-materiell
Kabel
Batterikabel
Skipskabel
Gummikabel
Kabel PR
Downlightkabel SIF-PV/P
Brytere og stikkontakter
Stikkontakter
En polt påvegg
Topolt påvegg innv/utv
En polt innfelt
Dimmere
Kobling og festemateriell
Koblingsbokser
Multibox
Wago
Krympeskjøt
Kabelgjennomføring
Festemateriell
Kjøl, varme og sanitær
Defroster
Sirkulasjonspumpe
Tilbehør
Reservedeler
Dieselvarmer
Eberspächer Luftvarmere
Eberspächer Vannvarmere
Eksossett
Styringer
Reservedeler Mikuni
Tilbehør Mikuni
Skroggjennomføring
Varmluftslange
Kjøkken
Kjøleskap
Kaffetrakter 12-24V
Mikrobølgeovn
Kjøleskuffer
Toalett
Elektrisk toalett
Vakuumtoalett
Div reservedeler
Tilbehør
Klima og oppvarming
Skipsovner
Varmtvannsberedere
Klimaanlegg
Vifter
Defa
Varmestyring - varsling
Landstrømspakker
Strøminntak - landstrømkabel
Forlengerledninger
Ladere
Landstrømsentral
Vegguttak
Kupévarmere
Inverter
AutoSwitch
Batteriseparator 12-24V
Fjernavlesere
Frontplate
Ramme for stikk
SafeStart - Slangevarmer
Tilleggsprodukter
Landstrøm
Navigasjon og signal
Garmin
Ekkolodd
Kartplotter
Kartplotter med ekkolodd
Ekkoloddmodul
Svingere
Autopilot
Sjøkart
Kommunikasjon
Antenner - Radar
NMEA 2000-terminator
Kamera
Kursberegningsenhet
Tåkehorn 12-24-230V
12-20M tåkehorn/megafon
20-75M
75-200M
Kompressorhorn
Elektriske tåkehorn
Fogkontroller
Brytere
Alarmsentral
Alarmsentral
Detektorer
Varsling
Navigasjon
Desk kompass
Morselamper
Pumper- lenseautomatikk
Lensepumper
Lensepumpe 12V
Lensepumpe 24V
Kirk lensepumpe 12-24V
Reservedeler Kirk lensepumper
Lense - aut 12-24V
Bryterpanel for lensepumpe
Ferskvann og spylesystemer
Trykkvannspumpe
Reservedeler trykkvannspumpe
Spylepumpe 12V
Spylepumpe 24V
Akkumulatortank
Sanitær og septik
Septikpumpe 12-24V
Maceratorpumpe
Vakuumpumpe
Smøremidler
Vindusviskere
Seematz
Seematz vindusviskere
Reservedeler
Viskere-motor 12-24V
Kontroller for viskere
Viskerblad
Dyser - tilbehør
Spyletank
Viskerarmer
Viskemotor 12-24V
Speich viskere og motor
Viskerarm
Viskerblad
Motor
Strøm og styring
Batteri og hovedbrytere
Batteri
Polsko
Hovedbrytere
Rele
Kabelsko
Batteriovervåkning
Krympestrømpe
Sikringsskap og lanternekontroller
Lanternekontrollere
Sikringsskap
Sikringsskap med lanternekontroller
Jordfeilvarsling
Nødstrøm
Tekststrimler - fronter
Brytere
Sikringer
Carling Brytere
Div reservedeler
Ladere, invert, omformere
Invertere
Omformere
Batteriladere 12V
Batteriladere 24V
Dometic Waeco Fjernkontroll - Temperatursensor
Victron
Dynamo og startere
Dynamoer 12V
Dynamoer 24V
Regulator 12V
Regulator 24V
Reimskive
Børster
2% webrabatt
50 års erfaring
Rask levering
Høykvalitets produkter
Meny
Vis priser inkl. MVA
Logg inn
Registrer
Mine sider
Mine sider
Registrer
Logg inn
Tilbake til menyen
Logg inn
for din pris
Du er her:
/
Hjem
/
Strøm og styring
/
Sikringsskap og lanternekontroller
/
Jordfeilvarsling
/
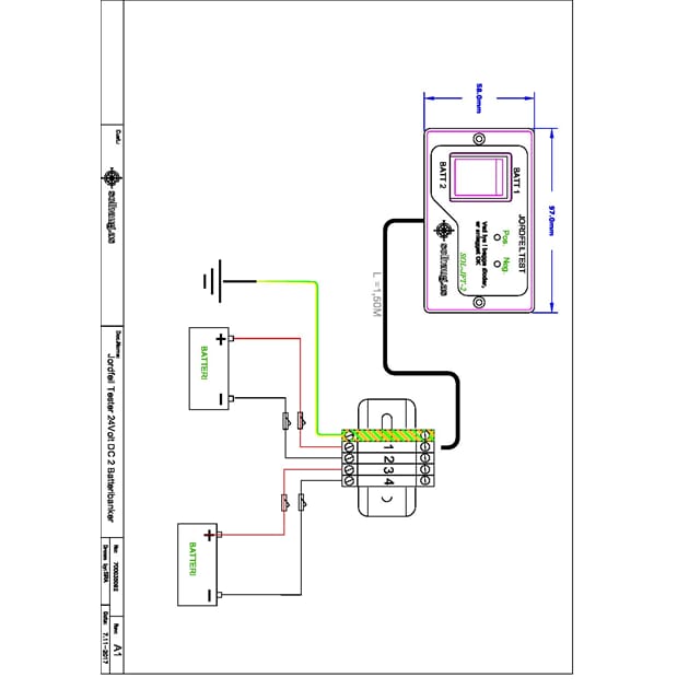
SOL JFT-2 Jordfeiltester 2 batteribanker 24V DC
SOL JFT-2 Jordfeiltester 2 batteribanker 24V DC
Produktnr.:
700035092
kr 3 372,50
/
stk
Kvantumsrabatt
1
Kjøp
Lager
På lager
SOL JFT-2 Jordfeiltester 2 batteribanker 24V DC